Quando parliamo di dispositivi per la domotica di solito presentiamo soluzioni che nella maggiorparte dei casi sono prodotte in Cina. Oggi invece con grande piacere presentiamo un prodotto realizzato da un'azienda totalmente italiana, una startup con sede a Roma.
Stiamo parlando di Powahome e della sua visione di Smart Home.

I dispositivi in questione sono studiati e progettati per essere integrati nell'impianto elettrico esistente rendendolo Smart senza bisogno di stravolgerlo.
Powahome ha nel suo catalogo diversi dispositivi, oggi andremo a parlare del modulo per la gestione di luci e prese.

Caratteristiche del dispositivo:
Le dimensioni molto ridotte permettono di inserire il dispositivo powahome all'interno di una scatola di derivazione o eventualmente in una scatola 503, infatti misura solamente 3.7 x 5.1 x 2.1 cm
Il dispositivo è in grado di gestire 2 punti luce comandabili (oltre che da Smartphone tramite app) anche dai relativi comandi parete siano essi pulsanti, interruttori o deviatori. Vedremo in seguito i vari schemi di collegamento.
Come la maggior parte dei dispositivi WiFi dedicati alla domotica, lavorano sulla frequenza di 2,4 GHz.
Il carico massimo per canale invece si attesta sugli 8A
Installazione:
Veniamo adesso agli schemi di collegamento del dispositivo:

questo primo schema si riferisce al collegamento di un carico con relativo interruttore fisico.

con questo schema si indica invece il collegamento di due carichi con i relativi interruttori.

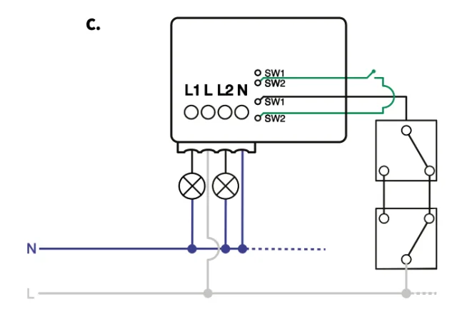
con il terzo schema si indica come collegare un circuito con 2 deviatori e un interruttore (quello in verde nello schema).

Nello schema sopra viene mostrato come collegare due deviatori ed un invertitore, ovviamente la stessa cosa può essere replicata anche per il secondo canale portando il ritorno dell'ultimo deviatore a sw2 quello in basso, vicino alla morsettiera delle uscite. In questo caso sia sw1 che sw2 superiori vanno isolati con un morsetto.

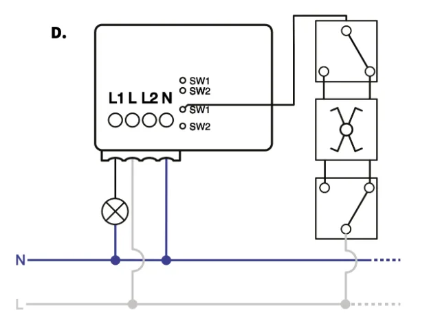
Questo schema invece mostra come connettere dei relè passo passo (nel caso di impianto con pulsanti) al nostro Powahome

Ed infine lo schema per connettere direttamente una presa del nostro impianto e renderla smart. Ovviamente potrete collegarne una seconda presa sul secondo canale. ATTENZIONE A NON SUPERARE GLI 8A PER CANALE DICHIARATI DALLA CASA COSTRUTTRICE.
Una volta che i cablaggi saranno stati realizzati, non vi resterà che scaricare l'applicazione Powahome dal Google Play QUI .

Attualmente l'applicazione è disponibile solo per Android, ma dovrebbe essere disponibile tra non molto anche la versione per iOS.
In questa guida vi mostrerò 2 schemi di collegamento possibili tra i vari disponibili, quello con 2 interruttori e due lampade e quello con un circuito di deviatori e invertitori e un interruttore nell'altro canale.
Prima di farlo però voglio sottolineare come i Powahome riescano ad alimentare i carichi ad esso connessi mediante i comandi manuali a parete anche senza aver precedentemente configurato l'applicazione sullo smartphone. Questo significa che sarà sempre possibile intervenire manualmente anche in assenza di connessione ad internet.
per prima vi mostretò la connessione con 2 interruttori e 2 carichi come nella foto qui sotto:

dal cavo (quello che in questo caso porterà la 220v) nero partiranno i soliti 3 fili fase (marrone), neutro (blu) e terra (gialloverde) che in questo schema non sarà collegato dato che il porta lampada non è munito di tale ingresso, voi ovviamente avrete la terra del vostro impianto connessa alle vostre utenze.

il filo marrone andrà direttamente nel morsetto chiamato L sul Powahome, il filo blu invece (N) andrà in un morsetto e da li si diramerà andando ai due porta lampada e al morsetto N del Powahome.
I due fili (viola in questo caso) partiranno rispettivamente dai due porta lampada e andranno a connettersi a L1 (il primo) e a L2 (il secondo).
I due fili bianchi che partiranno dal Powahome, denominati entrambi SW1, andranno a finire nei due morsetti dell'interruttore, uno nel primo e un altro nel secondo morsetto.
I due fili verdi che partiranno sempre dal Powahome, chiamati SW2, andranno a finire rispettivamente nel primo e secondo morsetto del secondo interruttore.
ecco invece lo schema del circuito di deviatori e invertitori sul primo canale e un interruttore sul secondo con relativi carichi:

Come per lo schema precedente utilizzeremo l'ormai famoso cavo nero che porta la 220v, la fase marrone, il neutro blu e la terra gialloverde.
La terra la lasceremo disconnessa inquanto una prova da banco ma, come nello schema precedente nel vostro impianto, la troverete connessa alle vostre utenze.
Questa volta la fase non andrà direttamente alla L del Powahome ma andrà prima ad un morsetto che la farà diramare da una parte (filo grigio) torneremo alla L del Powahome per portare la fase al dispositivo, dall'altra parte invece andremo al primo deviatore come da foto

anche il neutro come prima si diramerà e finirà alla N del Powahome e ai due portalampada.
Dal deviatore dove avremo portato il marrone (L) partiranno 2 fili (rossi in questo caso) dal morsetto 1 e 2 del deviatore e andranno portati all'invertitore.

dall'invertitore ripartiremo con due fili (in questo caso arancioni) e andremo a finire all'altro deviatore.

Nell'ultimo deviatore inseriremo i fili arancioni nei morsetti 1 e 2 mentre nel morsetto dove è scritto L inseriremo uno dei fili sw quello più vicino all'ingresso dei cavi andando ad isolare il secondo con un morsetto come in foto (sw2 nel mio esempio ma poteva eventualmente essere anche sw1).


tutto è pronto per essere messo in funzione.
come accoppiare i dispositivi all'app Powahome:
Dopo aver scaricato l'app apritela e fate il LOGIN con il vostro account Google (attualmente è l'unico metodo d'accesso)
vi troverete di fronte a questa schermata:

cliccate su dispositivi

e successivamente su configura
vi verrà chiesto di inserire ssid e password della vostra rete wifi, fatelo.
Il dispositivo verrà rilevato dalla vostra app e a seguito vi verrà chiesto di rinominare entrambi i canali e creare una stanza, eseguite i comandi



dopo alcuni passaggi in automatico....



finalmente i vostri dispositivi saranno pronti per essere utilizzati


potrete così accendere i dispositivi sia da comando fisico sul muro che da comando da app.
Powahome è perfettamente compatibile con Google Home; per aggiungerlo tra i dispositivi gestibili con Google Assistant sarà sufficiente aggiungere al vostro account sull'app Home di Google l'account di Powahome, lo troverete nella lista degli account disponibili:

per quanto riguarda invece Amazon Alexa attualmente la Skill è in fase beta non pubblica, ma dopo l'acquisto contattando Powahome vi verrà rilasciata la skill comunque perfettamente funzionante in attesa di quella ufficiale.
Vi ricordo che lo store ufficiale per l'acquisto di questi dispositivi è al seguente link:
https://www.store.powahome.com/
Bene per questo articolo è tutto vi lascio al solito video di fine articolo dove potretre osservare il dispositivo in azione! Buona visione!