Il mercato delle Smart Home ci ha abituato ad una miriade di lampade smart. Queste lampade si presentano con tutti i più comuni protocolli di comunicazione: Zigbee, WiFi, Z-wave, ecc... tutte si differenziano per caratteristiche varie, più o meno lumen, più o meno watt, bianche o RGB, più o meno gradi Kelvin, insomma ce ne sono veramente "come i peccati".

yeelight ad esempio ha scelto un protocollo di comunicazione WiFi


Philips ed Ikea invece hanno scelto il protocollo di comunicazione ZigBee, lampade che dialogano con il loro hub che a sua volta si connette alla rete internet.
Abbiamo mostrati anche come, tramite Home Assistant, poter baypassare gli hub personali in QUESTO articolo, ma questa è un'altra storia.
Tutti questi dispositivi hanno una sola condizione necessaria affinchè continuino a funzionare al 100% delle loro potenzialità: devono essere costantemente alimentati.
Ciò implica che se le sostituiamo ad una comune lampadina andando a premere l'interruttore o il deviatore o ancora il pulsante, la lampada verrà disalimentata perdendo le funzioni Smart.
E' vero che le ultime lampade in genere hanno una funzione che ricorda lo stato alla successiva rialimentazione, tuttavia per ovvie ragioni non sarà possibile gestire la parte smart quando la lampada non avrà alimentazione.
Come ovviare a questo problema?
Chi ormai mi segue da un pò di tempo, sa che uso Home Assistant, un Personal Hub Software che riesce a far convivere vari dispositivi di diverse aziende all'interno di un'unica interfaccia ci gestione. Ma prima di addentrarci nello spiegare come Home Assistant possa aiutarci a risolvere questo problema, vediamo di cosa abbiamo bisogno per seguire questa guida.
- Shelly 1 Integrato in Home Assistant mediante MQTT o con REST (si possono utilizzare anche altri modelli ma prenderò in considerazione questo per il mio esempio)
- una lampada Smart integrata in Home Assistant, nel mio caso ho utilizzato una plafoniera yeelight con il controllo LAN abilitato ma va benissimo qualsiasi lampada smart integrata in Home Assistant.
- un impianto elettrico tradizionale che sia composto da interruttore, circuito di deviatori e invertitori oppure pulsanti, non ha importanza si può fare in ogni modo.
N.B. si consiglia di seguire questa guida solo se esperti nel settore elettromeccanico/elettrico e rigorosamente dopo aver disattivato l'interruttore generale del proprio impianto elettrico. Noi di vincenzocaputo.com ci riteniamo sollevati da qualsiasi responsabilità in caso di danno a cose o persone.
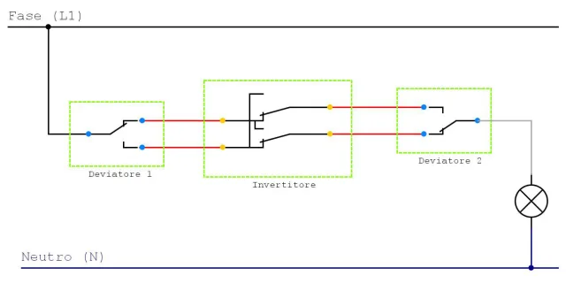
Vediamo qualche esempio di impianto tradizionale:
circuito di deviatori e invertitori:

come noterete dall'ultimo deviatore partirà un filo detto ritorno di lampada che andrà ad alimentare appunto la lampadina connessa.
Circuito di pulsanti con relè passo passo:

anche in questo caso dal relè partirà il filo che va direttamente ad alimentare la lampada alla pressione dei pulsanti e alla conseguente attivazione del relè passo passo.
interruttore:

Una volta identificato il tipo di impianto con cui abbiao a che fare, dovremmo intervenire modificandolo cosi:

In questo modo il circuito di deviatori e invertitori andrà ad alimentare lo Shelly al quale non sarà collegato alcun carico.
La lampada in questo caso sarà alimentata direttamente a 220V
Ovviamente adesso se premeremo i vari deviatori o invertitori la lampada non varierà di stato non essendo fisicamente connessa al circuito. Vedremo dopo come intervenire mediante delle automazioni su Home Assistant.

In questo caso la modifica è più complessa in quanto andremo a sostituire il relè passo passo con uno Shelly 1, ovviamente dovremo portare anche il neutro (che il passo passo non ha) per alimentare lo Shelly.
Non preoccupatevi se al posto del neutro avrete la fase nei vostri pulsanti, shelly supporta sul morsetto SW (quello dedicato all'ingresso dei comandi manuali) sia la fase che il neutro.
Anche in questo caso la lampada andrà collegata con la 220v diretta e il morsetto 1 e 0 sullo Shelly saranno privi di collegamento.

in questo caso l'interruttore andrà ad attivare o disattivare lo Shelly che, come negli altri esempi, avrà il collegamento tra 0 e 1 vuoto. Anche in questo caso la lampada andrà alimentata direttamente a 220V.
Arrivati a questo punto la parte dei cablaggi è completata, ovviamente i circuiti dei vari comandi non interverranno sulla lampda in questo momento come già accennato sopra. E' proprio qui che dovremo intervenire con delle automazioni tenendo ben presente che sia la almpada smart che lo Shelly, come già anticipato, dovranno essere stati già precedentemente integrati in Home Assistant.
Andiamo quindi a cercare il file automation.yaml nel dispositivo sul quale abbiamo installato Home Assistant.
sarà necessario creare queste automazioni:
- alias: accendi lampada smart camera
initial_state: true
trigger:
- platform: state
entity_id: switch.shelly
to: 'on'
action:
- service: light.turn_on
entity_id: light.lampada_smart
nel mio caso lo switch.shelly sarà lo switch creato dallo Shelly connesso al mio impianto elettrico mentre light.lampada_smart sarà la lampadina smart.
di conseguenza questa automazione dirà: se il dispositivo switch.shelly è acceso allora accendi la lampada light.lampada_smart, quindi andando a premere uno dei comandi manuali sul muro, la lampada smart si accenderà!
- alias: spegni lampada smart camera
initial_state: true
trigger:
- platform: state
entity_id: switch.shelly
to: 'off'
action:
- service: light.turn_off
entity_id: light.lampada_smart
questa automazione invece sarà l'inverso della prima, di conseguenza se switch.shelly sarà spento allora lo dovrà essere anche la lampada.
Dopo aver effettuato queste due automazioni noterete che i comandi al muro accenderanno e spegneranno la lampada.
Tuttavia sorge un problema: se accendo direttamente la lampada ad esempio da comando vocale oppure direttamente da Home Assistant, lo Shelly non viene coinvolto nel processo e non si accorge dello stato della lampada. Per ovviare a questo saranno necessarie altre 2 automazioni.
- alias: accendi shelly se lampada accesa
initial_state: true
trigger:
- platform: state
entity_id: light.lampada_smart
to: 'on'
condition:
- condition: state
entity_id: switch.shelly
state: 'off'
action:
- service: switch.turn_on
entity_id: switch.shelly
questa automazione andrà a dire ad Home Assistant: se la lampada smart è accesa e lo switch.shelly spento allora accendi switch.shelly
- alias: spegni shelly se lampada spenta
initial_state: true
trigger:
- platform: state
entity_id: light.lampada_smart
to: 'off'
condition:
- condition: state
entity_id: switch.shelly
state: 'on'
action:
- service: switch.turn_off
entity_id: switch.shelly
Ed in fine quest'ultima automazione va a dire: se la lampada smart è spenta e lo switch.shelly acceso allora spegni switch.shelly
Con queste 4 automazioni potrete spegnere e accendere la vostra lampada usando contemporaneamente comandi vocali, comandi manuali sul muro o intervenedo da interfaccia grafica di Home Assistant senza limitazioni.
Non mi sento di consigliare questo sistema in ogni parte della casa in quanto necessita di 2 dispositivi Smart per accendere un punto luce, tuttavia se non riuscite a restare senza le vostre lampade smart rinunciando ai tradizionali comandi manuali, questa è una soluzione perfetta.
vi lascio al solito video di fine articolo.