Non molto tempo fa abbiamo fatto visita alla fabbrica della nota azienda Finder. Tra i pochi scelti nel panorama degli YouTubers italiani che si occupano di domotica, abbiamo avuto la fortuna di osservare in anteprima la nuovissima linea di prodotti per la Smart Home pensata e realizzata da Finder: la linea YESLY.

Successivamente abbiamo recensito diversi prodotti di questa famiglia, se vi siete persi le puntate precedenti potete rileggerle qui sotto:
YESLY, la domotica secondo Finder
Automazione tapparelle - la soluzione Yesly by Finder
Energy Harvesting con il pulsante Beyon by Finder
Siamo senza ombra di dubbio nell'era della smarthome, le case inteligenti che permettono di gestire ad esempio luci e prese da remoto mediante l'utilizzo di uno smartphone o, perchè no, tramite comandi vocali, con i famossissimi servizi messi a disposizione da Google e Amazon.
Sono nate molte aziende ognuna delle quali ha proposto il proprio sistema e la propria fiolosofia. Le storiche e affermate aziende come FINDER naturalmente non sono state a guardare.
Quando parliamo di domotica di solito, a seconda del produttore, ci imbattiamo in protocolli di comunicazione wireless come il Wi-Fi, oppure protocolli più specifici come lo Z Wave o il ZIGBee.
Finder ha deciso, e per quanto abbiamo avuto modo di osservare fino ad oggi è la prima a farlo, di utilizzare il bluetooth 4.2
La soluzione sviluppata da Finder porta il vantaggio di un consumo elettrico praticamente nullo in fase di riposo, infatti i dispositivi si "risvegliano" solo in fase di "interrogazione", il vantaggio di essere immedietamente compatibile con qualsiasi Smartphone senza dover necessariamente passare da altre apparecchiature o gateway di alcun genere e in generale il vantaggio di essere molto sicuro (il bluetooth) in termini di dati trasmessi.
Di contro abbiamo sicuramente la scarsa portata del Bluetooth rispetto ad altri sistemi radio, ma vedremo come Finder ha pensato di risolvere il problema.
Da apprezzare moltissimo anche la gestione delle applicazioni per utilizzare i dispositivi. Ho parlato al plurale perchè come ricorderete, l'azienda ha scelto di creare 2 applicazioni, una per gli installartori e l'altra per l'utente finale. La prima serve per configurare i dispositivi l'altra per il semplice utilizzo in modo da non andare a cambiare accidentalmente configurazioni o impostazioni.

Finder TOOLBOX per l'installatore.

Finder YESLY per l'utente finale.
Nei primi articoli riguardanti il mondo YESLY vi avevo parlato delle novità destinate al 2019
Finalmente ho ricevuto un kit di tutti i nuovi prodotti per una prova completa.
Ricorderete il relè 13.72

Il relè multifunzione Bluetooth è l'anima del sistema YESLY: rappresenta la naturale evoluzione del tradizionale relè passo-passo, ha una flessibilità applicativa senza precedenti e 20 o 21 funzioni disponibili a seconda della versione scelta.Permette di accendere/spegnere le luci, azionare le tapparelle e gestire fino ad 8 scenari.È programmabile tramite smartphone grazie all'app Finder Toolbox Plus che permette una configurazione semplice ed intuitiva dei dispositivi.
Il 13.72 è possibile installarlo sui castelletti delle serie civili più note mediante gli adattatori presenti nella confezione
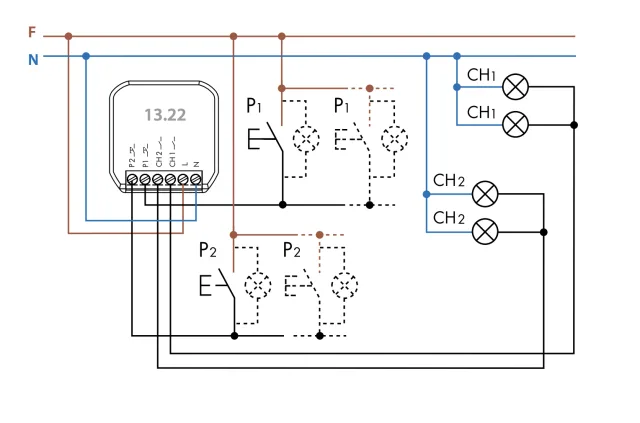
La prima delle novità 2019 è il modulo 13.22

Il modulo 13.22 conserva le funzioni del 13.72 ma, al contrario dell'altro, è occultabile all'interno di scatole di derivazione oppure in scatole quadrate a 2 moduli, viste le ridotte dimensioni.

Di seguito lo schema di collegamento per il dispositivo:

La seconda novità 2019 è invece un Range Extender
Questo dispositivo è in grado di ampliare la copertura radio del sistema YESLY di circa 10 metri (in campo libero). Vari dispositivi di questo tipo, disposti nei punti giusti della casa, permetteranno di coprire tutta la superfice.
In realtà Finder aveva già a disposizione un modulo extender.

La prima versione si alimentava mediante una microUSB, ciò richiedeva l'ausilio di un alimentatore da smartphone.
La novità di questo nuovo extender range e che è possibile posizionarlo in una comune scatola di derivazione ed alimentarlo direttamente a 220V.

Il range extender, inoltre, è in grado di ripetere solo quando riceve un segnale, riducendo al minimo l’inquinamento elettromagnetico e i consumi elettrici.
Di seguito lo schema di collegamento:

Il terzo dispositivo rilasciato nel 2019
Il modulo YESLY 1Y.P2

Questo modulino permette di collegare due pulsanti di qualsiasi serie per poter comandare gli accessori della famiglia Yesly mediante delle scene create sull'app esattamente come avviene con il pulsante Beyon (già recensito precedentemente).
Dallo schema sottostante potete osservare meglio il collegamento:

L'ultima novità 2019 è il GATEWAY

Come ricorderete il sistema YESLY lavorava perfettamente all'interno della propria abitazione gestendo il tutto dal proprio Smartphone dal quale attivare o disasttivare i vari attuatori tramite Bluetooth.
Fino poco tempo fa il sistema di casa Finder non prevedeva la gestione remota (fuori dalla portata bluetooth), di fatto da fuori casa non si poteva controllare nulla.
Ho lasciato per ultima questa novità dato che è la più interessante dal punto di vista della gestione infatti con il GATEWAY si può comandare il sistema YESLY da remoto, ovunque nel mondo a patto di disporre di una connessione dati. Niente più luci dimenticate accese o tapparelle aperte. Sarà sempre possibile controllare lo stato delle luci. Inoltre, tramite il GATEWAY, si potrà gestire l'impianto anche con la voce utilizzando gli assistenti vocali GOOGLE ASSISTANT e AMAZON ALEXA.

Sarà sufficiente dire “Hey Google, abbassa le tapparelle” oppure “Alexa, regola la luce al 50%” per comandare tutti i dispositivi. Si potrà inoltre utilizzare YESLY nelle routine, insieme ad altri servizi offerti dagli assistenti vocali. Il Gateway si connette tramite la rete WiFi 2.4GHz del router di casa. In caso di mancanza della rete internet, l’impianto continuerà a funzionare poiché connesso tramite Bluetooth.
Di seguito i link per l'acquisto di alcuni dispositivi Yesly su Amazon:
Kit Finder Yesly Wireless Con 2 Relè Bluetooth 13728230B000 e Pulsante Beyon 013B20 con 8 Adattatori 00K148
FINDER 00K147 KIT YESLY 1 RELE' E PULSANTE BEYON 013B10 13728230B000
RELE' MULTIFUNZIONE BLUETOOTH 2 CANALI BIANCO
Pulsante 4 Canali Beyon Finder Yesly Nero
Come di consueto vi lascio al video di fine articolo dove potrete osservare i dispositivi in azione e dove mostro, con una prova sul banco come effettuare, i collegamenti elettrici e come configurare il tutto tramite app sullo Smartphone. Buona visione!