Le cose di cui avete bisogno per realizzare questo progetto:
- Relè eMylo Doppio Canale (scrivi a vincenzo@vincenzocaputo.com per richiedere un CODICE SCONTO)
- https://amzn.to/2Joabui
- Un motore tubolade per tapparella
- https://amzn.to/2JuQ39N
- Un pulsante Sali-Scendi
- https://amzn.to/2GMNZwc
- BroadLink RM PRO Wi-Fi
- http://amzn.to/2rVuiuH
- Tasker
- Broadlink RM Tasker Plugin
- Broadlink e-Control
Rendere automatica l'apertura e la chiusura delle tapparelle o comunque renderle gestibili da remoto, è un argomento che interessa veramente tantissimi di voi che hanno più volte espresso il desiderio di poter leggere su queste pagine una guida a riguardo. Eccovi accontentati!
Prima di iniziare l'articolo vorrei ringraziare Mattia Zandarin con il quale mi sono confrontato e che mi ha dato diversi spunti per questa guida. Lo schema elettrico che trovate più in basso è stato disegnato proprio da lui.
In questa versione della tapparella gestibile da Smartphone useremo un relè RF eMylo a doppio canale. La base del progetto nasce dal fatto che io e mia moglie siamo agli opposti in fatto di tecnologia: io vorrei automatizzare tutto, lei si infastidisce se spariscono i comandi manuali, quindi studiando un po’ i relè con il tester, sono giunto alla configurazione per me ideale, che consente di comandare le tapparelle agendo su pulsanti a muro, e consente a me di automatizzarle il tutto con un Broadlink RM pro. Il progetto potrebbe essere replicato anche con dei Sonoff o dei relè WiFi ma in questo caso il vangaggio (preferenza personale) è quello di non avere una dozzina nuovi dispositivi costantemente collegati al Wi-Fi, con tutti i problemi che questo può generare.
Per realizzare questo progetto ho utilizzato un motore tubolare per tapparelle come il seguente (trovate il link in cima all'articolo)

In uscita da questo motore troverete 4 fili elettrici:
- Il neutro
- La terra
- La fase per il senso orario
- La fase per il senso antiorario
Come pulsante sali-scendi ho utilizzato questo, ma in commercio ve ne sono tantissimi tutti simili.

Il doppio pulsante, sul retro, presenta 4 ingressi elettrici. Come qualsiasi pulsante funziona chiudendo il contatto tra i due ingressi (uno coppia per ogni pulsante).
Come relè ho utilizzato l'eMylo RF doppio canale

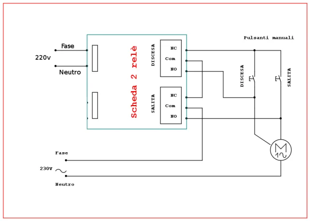
Questo relè funziona a 220v, quindi dovrete alimentarlo con fase e neutro (nell'immagine sopra dove vedete la morsettiera a due posti). A bordo poi ha due relè con un comune (com), un normalmente aperto (NO) e un normalmente chiuso (NC) per ognuno dei due relè. Nell'immagine potete vedere distintamente i contatti dei due relè dove c'è la morsettiera a 6 contatti. Naturalmente i primi 3 contatti sono del primo relè e gli altri 3 del secondo relè. Si scorgono nell'immagine anche le scritte sui contatti: su ognuno dei due relè trovate i comune al centro, il normalmente chiuso a destra e il normalmente aperto a sinistra.
COME EFFETTUARE I COLLEGAMENTI
Intanto di seguito allego lo schema elettrico che dovrebbe chiarire ogni dubbio, dopo lo commentiamo:

Come potete osservare dallo schema, il doppio relè e il doppio pulsante vanno collegati in parallelo. Quindi farete arrivare nel pulsante saliscendi la fase su ognuno dei due contatti del singolo pulsante. La stessa fase la portate sui due contatti COM dei due relè. Poi sempre dal relè collegare i due NO sui due contatti che sono rimasti liberi sul doppio pulsante saliscendi. Sugli stessi contatti collegate anche le due fasi del motore (uno sulla salita e uno sulla discesa). Alimentate anche il relè con fase e neutro. Spero che il seguente disegno chiarisca ulteriormente i collegamenti:

Questo tipo di configurazione elettrica, per quanto semplice, può portare a problemi di doppio segnale sul motore qualora si premano contemporaneamente il pulsante di salita e di discesa (anche in maniere mista tra pulsante manuale e relè) con conseguente blocco del motore (nel caso abbia un sistema di protezione interno) o di rottura vera e propria. Per quanto questa ipotesi non sia così frequente, la possibilità rimane.
Grazie a diverse segnalazioni di utenti che frequentano questo blog, ho reperito quest’altro schema elettrico che scongiura questa ipotesi anche nel caso l’utente usasse volutamente in maniera impropria il sistema. Quindi sicuramente è lo schema da preferire, anche perchè non aggiunge nulla all’hardware necessario.

AUTOMATIZZIAMO IL SISTEMA
Non ci rimane che associare il segnale del telecomando RF del relè per averlo disponibile sullo smartphone nell'app eControl Broadlink oppure dentro Tasker tramite l'RM plugin.
Aprite Tasker e create un nuovo task chiamandolo per esempio Tapparella SU. Aggiungete un azione scegliendo Plugin - RM Plugin. Fate tap sulla matita in alto a destra per configurare il plugin. A questo punto vi ritroverete una schermata come nell'immagine seguente:

Nei selected device potete scegliere il dispositivo Broadlink qualora ne abbiate più di uno in rete (come nel mio caso). Successivamente potrete fare tap su Learn new code. L'app si metterà in attesa di un segnale dal telecomando che volete associare (nel mio caso il telecomando del relè eMylo). Non dovete fa altro che puntare il telcomando verso il Broadlink RM Pro e pigiare il pulsante fisico di riferimento (nell'esempio il tasto per alzare la tapparella). Replicate l'operazione creando un task per la discesa. Nell'esempio del video a fine articolo ho aggiunto al task un azione di tipo Wait configurandola con il tempo che impiega la tapparella a salire o a scendere prima di dare il successivo input di riapertura del relè (nel video si capisce benissimo questo meccanismo). In questo modo variando i valori del Wait potrete creare anche degli scenari con le tapparelle chiuse a metà o parzialmente.
Vi lascio al consueto video di fine articolo. Buona visione!